The electric vehicle (EV) industry is riding another big wave. No longer are these vehicles perceived as a consumer fad; governments are now applying pressure for widespread electrification on the road. For instance, both the UK and California are mandating zero-emission vehicles by 2035.
In order to meet these demands, EEs are optimizing EVs—and specifically mild hybrid electric vehicles (MHEVs)—to be smaller and more lightweight in order to make them more affordable.

The rise of HEV sales in Europe up to 2020. Image used courtesy of IDTechEx Research
Texas Instruments has approached this problem with its newest product, a highly-integrated 48 V motor driver meant to significantly reduce PCB area. We spoke with Kannan Soundarapandian, manager of TI’s Motor Drives business unit, to hear about the new tech firsthand.
The Role of Three-Phase Motors in EVs
Arguably the most popular form of EV motors is the three-phase induction motor.
A three-phase motor is a type of electric motor that consists of two main components: a rotor and a stator. The rotor is the part of the motor that actually turns while the stator is the part of the motor that turns the rotor. The stator itself is made up of three pairs of coils evenly spaced around the rotor.

Working principle of a three-phase induction motor. Image used courtesy of T. Davies and Medium
The motor is called “three-phase” because it is driven by three sources of AC power that are intentionally out of phase with one another, each being called a “phase.” Each one of the stator coil pairs is attached to one phase, and as a result of the phase differences, they generate a continuous rotating magnetic field that spins around the stator.
This changing magnetic field inductively creates a moving current inside the rotor, which lags the stator’s field. This lag creates a pulling force on the rotor, causing the rotation that moves an EV.
Design Issues With the Three-Phase Motor
While three-phase motors provide high efficiencies and performance for EVs, they are not without their drawbacks. As Soundarapandian explained, in order to drive a three-phase motor, the system requires three individual sets of motor drivers and related circuitry.
“In a typical motor driver system, you have three phases, so you should imagine this (circuitry) being repeated three times. And there are a lot of components," he explains. "There's control circuitry, resistors, diodes, and also some of the safety features that are typically implemented externally.”

A typical circuit for driving one phase of a three-phase motor. Image used courtesy of Texas Instruments
Repeating this circuit three times quickly runs up BOM, cost, and area. Additionally, trying to maintain signal integrity in an already-noisy environment becomes even more difficult as routing becomes more restricted.
Integrated Motor Driver IC Saves System Space
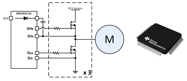
The solution to this problem, as Texas Instruments sees it, is higher integration, bringing all of the external components onto the driver IC. This is exactly what the company has aimed to do with its newest product, the DRV3255-Q1.
TI reports that this product is the industry’s first three-phase, 48-V BLDC motor driver to integrate high-side and low-side active short-circuit logic, effectively eliminating the external transistors and control logic needed.
On what makes the device so special, Soundarapandian emphasized, “It's that integration aspect where we pull in a large number of the external components. It's the neatest power delivery on a 48 V system.”

A three-phase motor driving circuit using the DRV3255 significantly reduces external components. Image used courtesy of Texas Instruments
The new IC is said to decrease PCB area by as much as 30% while also being capable of supplying as much as 30 kW of power to the motor. The device is also rated at 95 V, protecting the IC from high transient spikes on the 48 V rail.
Designed with an active short-circuit logic feature, the BLDC motor driver allows designers to implement MOSFET connections based on the system's requirements. This, in turn, can help mitigate overvoltage and widespread system failures to the vehicle's motor and other electrical components. The active short-circuit mode is automatically activated by the device's dynamic fault response when confronted with overvoltage conditions.
The Goal of Safer, Greener MHEVs
One of the stated goals of this release is not only the safety it lends drivers in MHEVs but also the reduced CO2 emissions from the vehicle's internal combustion engine.

Simplified schematic using the DRV3255-Q1. Image used courtesy of Texas Instruments
Strategy Analytics’ Asif Anwar asserts, "A 48-V system is a step-change that original equipment manufacturers [OEMs] can implement to meet goals around reducing emissions, while also adding power for advanced driver-assistance system features and managing power-hungry loads such as the heating, ventilation and air conditioning system."
The AEC-Q100 Grade 0 BLDC motor driver can reach up to Automotive Safety Integrity Level (ASIL) D. Because of its high output power levels, drivers of heavy vehicles will be able to accelerate more quickly from a stopped position.
