Microchip has released a Bluetooth 5.0-certified, dual-mode audio IC and a fully certified module with speaker and headphone manufacturers in mind. The goal of the components is to help these audio products get to market faster.
IS2083 IC and the BM83 module feature a power amplifier and flash memory, enabling them to better support Sony’s LDAC technology and to lower BOM count.
Microchip’s IS2083 IC and BM83 will get speaker and headphone products to market faster. Image used courtesy of Microchip
The IS2083BM IC, measuring only 5.5 x 5.5 mm, may be especially interesting to mobile developers, who prioritize conserving board space and weight.
Headlining Features
Notable features for the IS2083 IC and the BM83 module include:
- Embedded mode, which obviates the need for an external host MCU
- An internal power amplifier that provides up to +9.5 dBm output power, eliminating the need for a separate power amplifier
- Two MBytes of flash memory, which store updated files during over-the-air (OTA) updates without external memory
- Full support for Sony’s LDAC Audio Codec technology, making high-resolution audio possible even for mass-marketed Bluetooth wireless products
- Safer firmware updates at 2.5 times the speed, made possible by Bluetooth low-energy (BLE), data length extension (DLE), and LE secure connection (LE SC)
The BM83 and the IS2083 are both Bluetooth 5.0-certified, dual-mode devices. High fidelity is enabled by the 24-bit/96 kHz high-resolution audio formats they support.
Regarding DSP, SBC (here meaning "sub-band codec" rather than "single-board computer") and AAC (here meaning "advanced audio codec" rather than "All About Circuits") codecs are decoded by integrated digital signal processors. The DSPs execute advanced audio and voice processing, including wide-band speech, acoustic echo cancellation, and noise reduction. A Windows-based GUI configuration tool makes it easy to take advantage of this platform’s flexibility, enabling customized peripheral settings for DSP functionality.
Wireless Concert Technology
Through wireless concert technology (or WCT), the BM83 and the IS2083 can both stream audio to multiple devices from the same audio source. Through tight speaker synchronization, WCT can deliver uninterrupted music to multiple speakers.
Quick-to-Market Audio Applications
The BM83 Bluetooth audio development board (BM83 EVB) enables users to evaluate both the BM83 audio module and IS2083BM System-on-Chip (SoC).
Details of the BM83 board layout. Image from Microchip
This board helps designers to develop Bluetooth audio applications such as portable speakers and headphones.
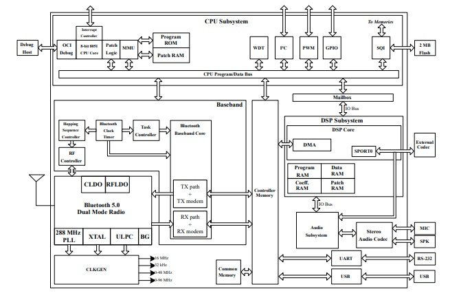
IS2083 Bluetooth Stereo Audio SoC
The BM83 is based on the IS2083, in which an MCU system bus connects a single-cycle 8-bit 8051 MCU core to the system components.
Block diagram for the IS20832. Image used courtesy of Microchip
Through the MCU system bus, the IS2083BM then has access to an interface memory map address decode for the peripherals as well as the Read-Only Memory (ROM) and Static Random Access Memory (SRAM).
BM83 Bluetooth Stereo Audio Module
The BM83 includes a PCB antenna and a crystal.
The BM83 module is based on the IS2083 IC. Image used courtesy of Microchip
The BM83 sports two modes of operation:
- Host mode: The BM83 interfaces, via UART, an external MCU. This can be useful for application-specific system control. A multi-speaker solution can reside on the external MCU.
- Embedded mode: There is no external MCU with the BM83 serving as the MCU controlling the peripherals and speaker features. BM83 integrates the multi-speaker firmware on the module. Users can set DSP parameters, such as equalizer settings, with the Config Tool.
BM83 application modes. Image used courtesy of Microchip
The BM83 module is available in a 32 x 15 x 2.5 mm package, while the IS2083 IC comes in a 5.5 mm2 BGA package. Both units are RoHS-compliant and operate over a temperature range of -40C to +85C.
Around the Industry
Cypress' CYW20819 is a Bluetooth 5 device aimed at Bluetooth Mesh, audio, voice, wearables, mice, keyboards, gaming consoles, remote controls, home automation, and other IoT applications. The unit implements the Bluetooth Mesh 1.0 specification, and its high level of integration eliminates many otherwise necessary external components.
Texas Instruments' CC2564x family of devices enables designers to choose classic Bluetooth or dual-mode Bluetooth/Bluetooth low-energy solutions.
How might you use the new Microchip IC and module? Drop your ideas in the comments below.





