Novel approaches to end node power supply design using switched-mode converters can enable a wireless end node to operate from a CR2032 lithium coin cell with up to +20 dBm transmit power.
This capability benefits the design of battery-powered wireless end nodes for a wide range of Internet of Things (IoT) applications, such as security and environmental sensors. In addition to lithium coin cell operation, the power supply topology allows systems using other battery chemistries to extend the life and operational conditions of the system.
Lithium CR2032 Coin Cells
Lithium CR2032 coin cells are small, inexpensive batteries often used for embedded applications. However, they have several shortcomings that pose challenges for applications experiencing high peak current loads (e.g., a radio transmission).
- Lithium coin cells can have a large internal impedance (tens of ohms). A high peak current drawn across a large internal resistance (IR) can result in a voltage drop that is either insufficient to meet the application’s input voltage requirements, causing unacceptable noise ripple on the power supply, or, in the worst case, a brown-out and/or power-on reset. In addition, this IR drop is just power wasted, impacting efficiency.
- Lithium coin cell voltage output degrades with temperature. For example, a coin cell under a 1 mA load that provides 2.9 V output at 40 °C may only be able to supply 2.6 V at 0 °C.
- Lithium coin cell capacity degrades as peak currents increase.
Traditionally, developers have managed the shortcomings of a lithium coin cell by adding a very large (typically 100 µF or greater) capacitor directly in parallel with the battery. This storage capacitor is sized to deliver the bulk of the load’s peak current, resulting in a smaller peak current from the lithium coin cell. This lower peak current allows the coin cell to achieve a greater lifetime, and also prevents tripping undervoltage protection circuitry on the input supply due to IR drop across the coin cell internal impedance.
To illustrate the challenges of the lithium CR2032 coin cell, we investigate and compare the performance of different power supply configurations powering a high peak current load, which models the power consumption of a wireless end node in an IoT network. These systems spend most of their time in a low-power sleep mode, waking periodically to receive and transmit wireless data. When active, the system encounters a moderate draw when processing and receiving and a large current draw when transmitting.
While experiments could be performed on a real operating end node, we use a model to speed data collection and remove complications due to network timing variability in running systems.
Test Setup
To provide a consistent battery model, we use a power supply with a fixed 21-ohm series resistor in series to emulate the lithium coin cell battery with a high internal impedance. To represent a high peak current profile load (e.g., an RF transmission), we use a resistive load test fixture with tightly controlled control timing.
The load test fixture consists of two resistive loads driven by control signals, CTRL1 and CTRL2. CTRL2 is driven for 15 msec total, to emulate the core processor waking up. Three msec after CTRL2 is driven, CTRL1 is driven for 3 msec to emulate a transmission. Figure 1 shows the load profile at 1.8 V.

Figure 1. Load profile
To demonstrate the load, a 1.8 V supply was connected directly to the load test fixture as shown in Figure 2, and the resulting load current is shown in Figure 3.

Figure 2. Load circuit

Figure 3. Resulting Load Current Profile @ 1.8 V
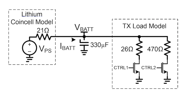
Direct Battery-Powered Configuration
Let’s look at the results for the simplest direct battery configuration, consisting of a lithium coin cell and storage cap, as shown in Figure 4. The storage capacitor (330 µF) was sized to provide the minimum capacitance to ensure the battery voltage never drops below 1.8 V under load at the minimum tested power supply voltage, 2.5 V.

Figure 4. Direct Battery-Powered Configuration
Figures 5 and 6 show the measured results with a 3.0 V battery. The voltage to the load can drop as low as 2.20 V, and the peak current out of the battery is 38.5 mA.

Figure 5. Direct Battery Connection Capture with 330 µF Storage Cap @ VPS= 3.0 V. IBATT (Yellow)

Figure 6. Direct Battery Connection Capture with 330 µF Storage Cap @ VPS= 3.0 V. VBATT (Green) and CTRL2 (Magenta)
Figures 7 and 8 show the measured results with a 2.5 V battery.

Figure 7. Direct Battery Connection Capture with 330 µF Storage Cap @ VPS= 2.5 V. IBATT (Yellow)

Figure 8. Direct Battery Connection Capture with 330 µF Storage Cap @ VPS= 2.5 V. VBATT (Green) and CTRL2 (Magenta)
The voltage to the load can drop as low as 1.80 V, and the peak current out of the battery is 32.26 mA. In both direct battery configuration measurements, the voltage at the load can have a huge variance – as much as 800 mV.
Buck-Only Configuration
The next power supply configuration examined is a buck-only configuration. In this configuration, a buck converter converts the battery voltage to a regulated 1.8 V supply, as shown in Figure 9.

Figure 9. Buck-Only Circuit
In this configuration, the storage capacitor (330 µF) was sized to be the minimum capacitance that would ensure the 1.8 V output remained in regulation at the lowest tested power supply voltage, 2.5 V.
Figures 10 and 11 show the measured results with a 3.0 V battery. We can see that the input voltage to the boost converter can drop as low as 2.56 V, and the peak current out of the battery is 23.2 mA.

Figure 10. Buck Only Capture @ VPS= 3.0 V. IBATT (Yellow)

Figure 11. Buck Only Capture @ VPS= 3.0 V. VBATT (Green), 1.8 V Regulated output (Blue), CTRL2 (Magenta)
Figures 12 and 13 show the measured results with a 2.5 V battery. The input voltage to the boost converter can drop as low as 1.88 V, and the peak current out of the battery is 30.18 mA.

Figure 12. Buck Only Capture @ VPS= 2.5 V. IBATT (Yellow)

Figure 13. Buck Only Capture @ VPS= 2.5 V. VBATT (Green), 1.8 V Regulated output (Blue), CTRL2 (Magenta)
Boost Bootstrap Configuration
The final power supply configuration examined is a boost bootstrap configuration. In this configuration, the battery voltage is boosted via a current-limited dc-dc converter to create a 5.2 V supply with a storage capacitor. This 5.2 V supply is then bucked down to 1.8 V to power the load, as shown in Figure 14. Note that the storage capacitor required in the boost bootstrap configuration is dramatically smaller than the buck configuration (47 µF vs 330 µF).

Figure 14. Boost Bootstrap Power Configuration
Figures 15 and 16 show the measured results with a 3.0V battery. The input voltage to the boost converter can drop as low as 2.76 V, and the peak current out of the battery is 11.86 mA.

Figure 15. Boost Bootstrap Configuration Capture @ VPS= 3.0 V. IBATT (Yellow)

Figure 16. Boost Bootstrap Configuration Capture @ VPS= 3.0 V. 5.2V Regulated Output (Yellow), VBATT (Green), 1.8 V Regulated output (Blue), CTRL2 (Magenta)
Figures 17 and 18 show the measured results with a 2.5 V battery. The input voltage to the boost converter can drop as low as 2.28 V, and the peak current out of the battery is 9.21 mA.

Figure 17. Boost Bootstrap Configuration Capture @ VPS= 2.5V. IBATT (Yellow)

Figure 18. Boost Bootstrap Configuration Capture @ VPS= 2.5 V. 5.2 V Regulated Output (Yellow), VBATT (Green), 1.8 V Regulated output (Blue), CTRL2 (Magenta)
Configuration Comparisons
Tables 1 and 2 summarize the performance of the three configurations at 3 V and 2.5 V.
Requirements for Boost Bootstrap
A boost bootstrap configuration typically requires a DC-DC converter to function efficiently, offering these key parameters:
- High boost and buck mode efficiency
- Configurable boost mode input current limiting
- Wide input supply voltage
- Low quiescent current
Although sleep mode performance was not a focus of the previous measurements, in many applications, sleep mode power consumption can have a greater impact on battery life than active mode power consumption. A dc-dc converter with low quiescent current is essential in this situation.
The Advantages of the Boost Bootstrap Configuration
In summary, the boost bootstrap configuration has several advantages over both the direct battery and the buck converter configurations.
First, the boost bootstrap configuration requires a dramatically smaller storage capacitor (47 µF vs 330 µF in the example above). This smaller capacitor requirement allows a significant reduction in component cost and PCB space. In addition, a smaller capacitor value more readily supports use of lower leakage ceramics over electrolytic capacitors. Electrolytics can have high leakage currents, which directly impacts sleep mode power consumption.
Second, unlike the direct battery configuration, the boost bootstrap configuration provides a regulated 1.8 V output at all times (assuming the 5.2 V supply has sufficient headroom to maintain the input to the buck converter).
Third, the boost bootstrap configuration can operate over a wider range of battery voltages.
Finally, the boost bootstrap configuration can tolerate a wider range of battery internal impedances.
In addition to these advantages, there are some unique complications involved with implementing the boost bootstrap configuration. Some tuning may be necessary to optimize the boost bootstrap configuration for a given load profile. For example, the size of the storage cap and the boost converter input current limit would likely be adjusted based on the expected worst-case peak current load. Similarly, the system needs to account for the periodicity of the loads. Ideally, the boosted 5.2 V supply should be allowed to recover completely before the next peak current load is applied. Practically, this could require software to artificially insert a hold-off delay between transmissions.
This article was co-authored by Matt Williamson, Staff Systems Engineer, IoT product line.
Industry Articles are a form of content that allows industry partners to share useful news, messages, and technology with All About Circuits readers in a way editorial content is not well suited to. All Industry Articles are subject to strict editorial guidelines with the intention of offering readers useful news, technical expertise, or stories. The viewpoints and opinions expressed in Industry Articles are those of the partner and not necessarily those of All About Circuits or its writers.
