RECOM recently released a line of user-friendly 15 W DC/DC converters that incorporate a variety of useful features.
Power supply design is an increasingly specialized field. The simplicity of linear voltage regulators seems to be largely a thing of the past—nowadays many applications need the high efficiency offered by switching regulators, and linear regulators are frequently relegated to the role of suppressing the noise generated by a switcher.
Designing a basic switching regulator circuit is certainly not an unreasonable task, but switch-mode power supplies can become rather intimidating when they must incorporate all the features that characterize modern electronic devices: high efficiency, low noise, small form factor, low cost, and rapid progression from concept to functional prototype.
I’ve reached the point at which custom power supply design is often not a good use of my time. This is perhaps not quite consistent with my ideals, but seriously—there is no great intellectual accomplishment in choosing a switching regulator IC and then just copying the “typical application circuit” (and maybe even using the exact same part numbers that the datasheet recommends for passive components). I might as well just let the manufacturer build the switcher for me, and in fact that has become my preferred approach.
Let’s continue this discussion by taking a look at a new line of DC/DC converters that effectively demonstrate the advantages of buying a switching regulator module instead of “designing” a custom circuit.

Taken from the REC15E-Z press release.
The REC15E-Z from RECOM
RECOM’s new DC/DC converters seems to offer a collection of features that really is quite impressive, even for a mildly skeptical engineer such as myself, and they do all this in a 1″ × 1″ package. One square inch is not a lot of board space for a converter that accepts input voltages up to 75 V, has a one-minute isolation rating of 1600 V, survives input transient amplitudes up to 100 V, and provides 15 W of output power.
High-Temperature Performance
One thing that caught my eye about the output power capability is that there is no derating at rather high ambient temperatures. As shown in the plot below, the output power is rated for 15 W from –45°C all the way to +75°C.

Taken from the REC15E-Z datasheet.
The loss in performance is rather precipitous above 75°C, though, so you need to be careful with this part if it might be exposed to very high temperatures.
Input Voltage Range
One of my least favorite aspects of PCB design is creating the components. It’s tedious and requires extreme concentration, and I’m always afraid that one small mistake in the pin assignments or the footprint dimensions is going to ruin my board or at least force me to bring out my soldering iron.
It’s not surprising, then, that I like to reuse parts whenever possible, and that’s why I appreciate the wide input voltage range offered by the REC15E-Z series. Some of the parts are compatible with input voltages from 9 V to 36 V, and others except 18 V to 75 V. Those wide input voltage ranges make it much easier for me to incorporate one part into multiple designs.
Efficiency
The REC15E-Z maxes out at an efficiency of about 90%. This is not the best I’ve ever seen, but it certainly is not anything that I would complain about. Also, remember that this is the maximum efficiency. The actual efficiency that you will get in a given application is affected by the input voltage and is highly dependent on load current.

Taken from the REC15E-Z datasheet.
External Components
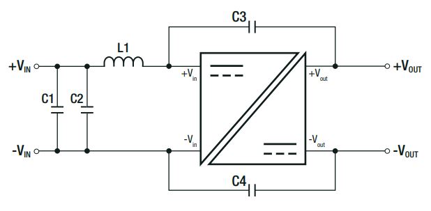
One thing that seems to be lacking in the REC15E-Z datasheet is a discussion of external components. It’s possible that no external components are needed under normal operating conditions, but would it make sense to include an external capacitor or two in applications that don’t have a desperate need to minimize costs and PCB area?
The datasheet does include one example circuit (shown below), but it’s not a general recommendation. Rather, it is relevant specifically to filtering for electromagnetic compatibility.

Taken from the REC15E-Z datasheet.
Regardless of EMC, I would be inclined to include C1 and C2.
Perhaps my first choice for user-friendly switching regulators is the µModule family from Linear Tech (now part of Analog Devices), but I think that these new modules from RECOM are definitely worthy of consideration, especially since they come in a straightforward through-hole package instead of a ball grid array or land grid array.
Have you come across any power supply modules that you’d like to recommend? Feel free to share your experiences in the comments section below.
