Allegro Microsystems touts their new fully-integrated and highly-sensitive current sensor.
Allegro Microsystems, or simply Allegro, is a semiconductor company known for developing and manufacturing devices such as magnetic sensors and power integrated circuits. Recently, Allegro announced their new—and their first—highly-sensitive and fully-integrated current-sensing IC for current sensing applications of less than 5 A.
According to its datasheet, the ACS70331, which uses giant magnetoresistive (GMR) technology, is said to be 25-times "more sensitive than traditional Hall-effect sensors" when sensing the magnetic field generated by current flow. In an effort to meet varying design requirements, this current-sensing device is offered in both QFN and SOIC package types.
Two package types are available, from the datasheet.
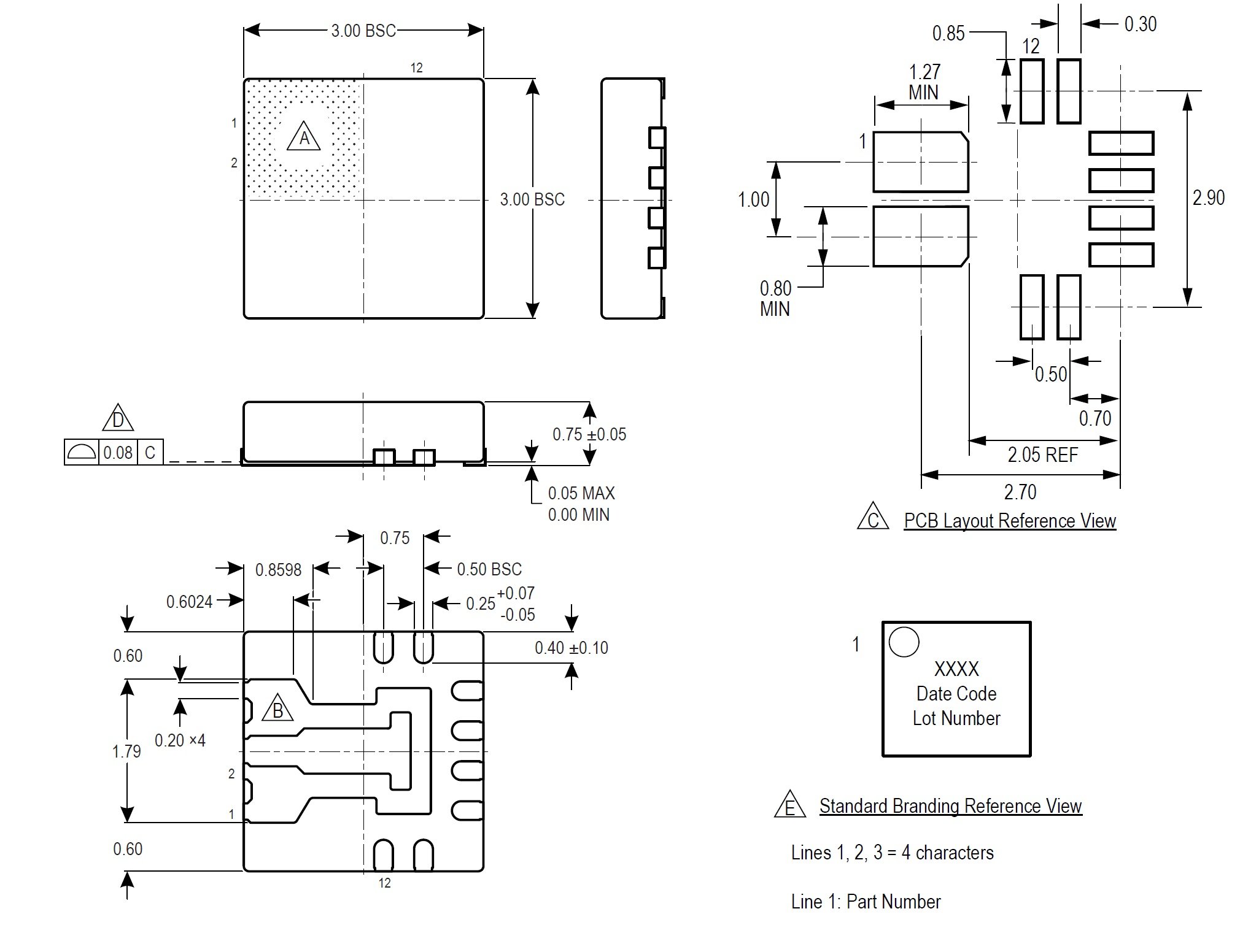
And as can be seen in the figure below, Allegro has provided detailed package outlines and reference views of the QFN’s unique footprint.
Allegro offers QFN package details for this clearly distinctive IC footprint. Image taken from the datasheet.
Multiple IC Versions Available, and What's the Real Current Rating of this IC?
A total of eight factory-programmed ICs are available—four for both the QFN-12 and SOIC-8 package types—which include four current-sensing ranges and three levels of current sensitivity. Take note that the sensitivity level decreases as the current-sensing range increases (see the following figure).

Multiple version of this current sensor are available. Table taken from the datasheet.
Also, keep in mind that while the maximum measurement current range in the figure above is ±5 A—which also corresponds to the noted current limit mentioned in the Features and Benefits section on page 1 of the datasheet—the Maximum Continuous Current is specified to be ±10 A, according to the Absolute Maximum Rating table in the datasheet (on page 2).
So, if your design requires the application, but not the measurement of current levels of up to 10 A, then this device may still be a viable candidate for such a task. In fact, the Thermal Performance and Overcurrent Capability section (page 19) states that when operating at the maximum ambient temperature (TA) of 85°C with 10 Amps of current flow, the IC's "die temperature increases by around 16°C," meaning that the die temperature will be close to its maximum rated junction temperature (TJ(MAX)) of 100°C.
However, be mindful that high junction temperatures and high levels of current are the "worst case condition for drift," according to the Lifetime Drift section (page 20). Therefore, when evaluating this IC for current levels, operating temperature ranges, sensitivity levels, and drift specifications, be sure to check out this section.
A Little Theory on How GMR Technology Works
As described in the datasheet, GMR elements are resistors that change resistance as a function of applied magnetic fields (see figure below).

GMR elements change resistance values depending applied magnetic fields. Plot taken from the datasheet.
The ACS70331 indirectly measures current flow by responding to the magnetic field produced by the current flowing through the device. While this current-sensing technology is similar to that of Hall-effect sensors, one of the main differences is that with GMR technology the applied magnetic field is parallel to the surface of the sensor (see the figure below) instead of being perpendicular, as is the case with Hall-effect sensors.
For additional information on the operating theory of this device, check out the section entitled Theory of Operation on page 11 of the datasheet. And, if you're interested in learning about some definitions related to this type of technology and associated accuracy characteristics, Allegro has been generous by providing three pages worth of data, starting on page 21 of the datasheet.

With GMR technology, the magnetic field is applied parallel to the surface of the sensor. Images courtesy of the datasheet.
Evaluation Boards are Available
According to Allegro's website, multiple versions of demo boards and evaluation kits are available, and Allegro has also made available associated software, schematics, and user guides. For more information, check out their website, or contact a local sales representative by clicking on the provided link on their website.
Multiple versions of demo boards and evaluation kits are available. Image courtesy of Allegro.com.
Have you had a chance to use this new highly-sensitive and fully-integrated current sensing IC from Allegro, or have you had an opportunity to use one of the evaluation boards? If so, leave a comment and tell us about your experiences.



