This triple-output DC/DC controller offers two buck converters, each with an output voltage range of 0.8 to 24 V, and a boost converter that can produce up to 60 V.
The LTC7815 is a triple-output switching regulator controller. In case you’ve never pondered the subtleties of switch-mode power supply terminology, "controller" indicates that external switches (i.e., FETs) are required.
The idea here is that the IC itself is not really a converter; rather, it controls the switches that form the core of the actual regulation circuitry. If you go one step up the integration ladder, you have a "converter," meaning an IC that includes a controller and internal switches. The inductor is still external, though.
If you’re looking for a DC/DC product that requires few external components and minimal design effort, you’re in "module" territory. Linear Tech makes several DC/DC modules (such as this one), and we recently published an article on a new high-current power module from Texas Instruments.

Automotive Applications
The LTC7815 can be used in a variety of applications, such as distributed DC power systems and multi-output buck-boost environments. However, it appears that this IC is especially well suited for—and perhaps has been designed specifically for—automotive applications. And while the datasheet, in fact, does not focus on this point, the associated LTC7815 press release absolutely does: in the first sentence it points out that this controller can maintain "all output voltages in regulation during automotive cold crank conditions."
If you've ever shopped for a new car battery, you have perhaps heard or seen the phrase "cold crank conditions." Linear Tech tells us that the LTC7815's boost converter can be configured to feed the two buck converters. This is important, in automotive applications, since a car's "12V automotive battery can droop to less than 4 volts" when its engine is started, which would result in the resetting of automotive electronics that are operating from a 5 V supply—think infotainment systems.
Three Independent Regulators
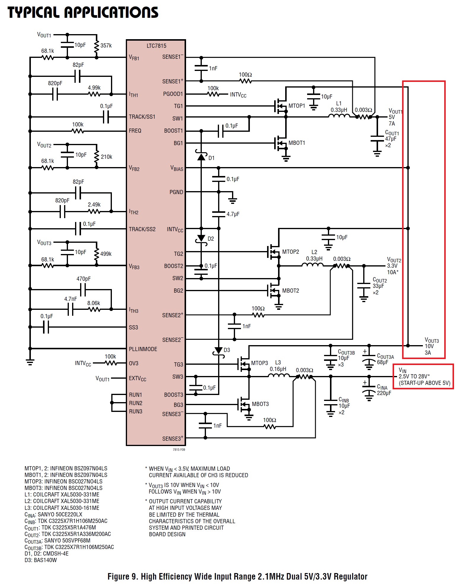
This IC can also be configured as three general-purpose regulators: two bucks and a boost. The figure below shows us how the boost regulator's output feeds the input of the two buck regulators, while the subsequent figure illustrates how all three regulators can be fed from the input supply. What's especially nice about these application circuits is that Linear Tech has provided many of the part numbers for the external components.

The LTC7815 configured such that the boost regulator's output voltage (VOUT3) feeds the two buck regulators. Drawing taken from the datasheet (PDF).
In this configuration, the input voltage feeds all three voltage regulators. Diagram from the datasheet (PDF).
Some Solid Guidance
This triple-output DC/DC controller offers a lot of functionality, which means that it's not your average drop-in voltage regulator that requires nothing more than a few external components for operation. The LTC7815 may, in fact, prove to be a bit intimidating for some designers, which is probably why Linear Technology included a large quantity (eighteen pages to be exact, beginning on page 19) of seemingly excellent application information, notes, tips, suggested circuits, and even a PCB layout checklist and suggested debugging techniques.
For example, one could learn a lot about switching regulator efficiency from the section entitled Efficiency Considerations (page 29), which discusses the four primary sources of power loss in a typical LTC7815 circuit (in case you’re wondering, they are IC VBIAS current, INTVCC regulator current, I2R losses, and topside FET transition losses). The section entitled Inductor Core Selection is also quite interesting, and it’s a good reminder of the importance of inductor selection in high-performance switching-regulator designs.
Evaluation Board
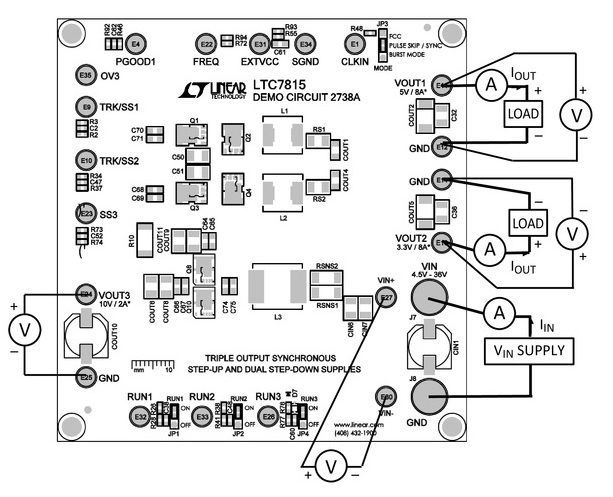
Interested in trying out this new buck/buck/boost controller? The LTC7815 has an accompanying evaluation board (see the figure below). Linear Tech has provided a demo board manual as well as the eval board's schematics and design files.

An evaluation board is available for the LTC7815. Image courtesy of Linear Technology.
Have you had an opportunity to use this new triple-output DC/DC controller in any of your designs, or have you used the associated evaluation board? If so, leave a comment and tell us about your experiences.

