ON Semiconductor offers their new hot swap smart fuse which is an electronically resettable and programmable in-line fuse for high-current applications.
ON Semiconductor’s new NCP81295 and NCP81296 are 50 A, electronically resettable in-line fuses for use in high-current 12 V applications. These two ICs, which are offered only in 32-pin 5 × 5 mm QFN32 packages, employ an integrated N-channel MOSFET with a low RDSon (0.65 mΩ typical). The integrated FET simplifies implementation and reduces the overall solution size.
At first glance, this 32-pin device—actually 33 pins when including the thermal pad—may appear a bit intimidating, but it’s not nearly as bad as it seems. Eighteen of these pins are used for high current input/output and for GND connections, and another five pins are not connected. ON Semi has decided to use a package with typical low-current pins and then achieve high-current performance by dividing the fuse’s input and output lines among several pins.
NCP81295 and NCP81296: What's the Difference?
If you're wondering what the differences are between the NCP81295 and NCP81296—both of which, by the way, share the same datasheet—I was able to identify three such differences. One difference, which is clearly called out under the Other Features section on page 1 in the datasheet, is that the NCP81295 features a latch-off functionality for the protection features listed below, whereas the NCP81296 offers an auto-retry mode for these same features.
- Current-limit protection
- Short-circuit protection
- Overtemperature protection
- Soft-start duration feature taking too long
The second distinction between these two ICs is the current threshold for their short-circuit protection. Specifically, as can be seen in the table below, the NCP81295 has a 100 A current threshold while the NCP81296 has a reduced (but still pretty beefy) threshold of 80 A. By the way, the 500 ns short-circuit response time looks to be very impressive.
As can be seen in this table from the datasheet, the NCP81295 and NCP81296 have different current thresholds for their short-circuit protection feature.
The third dissimilarity, which actually appears to be a serious error in the datasheet, is that only the NCP81295 is suitable for connecting multiple devices in parallel (more on this issue later). The explanation (see the figure below) is given in the section entitled Multiple Fuse Power Up (page 19).

In what appears to be an error in the datasheet, only the NCP81295, and not the NCP81296, is suitable for parallel connections.
Three Modes of Operation
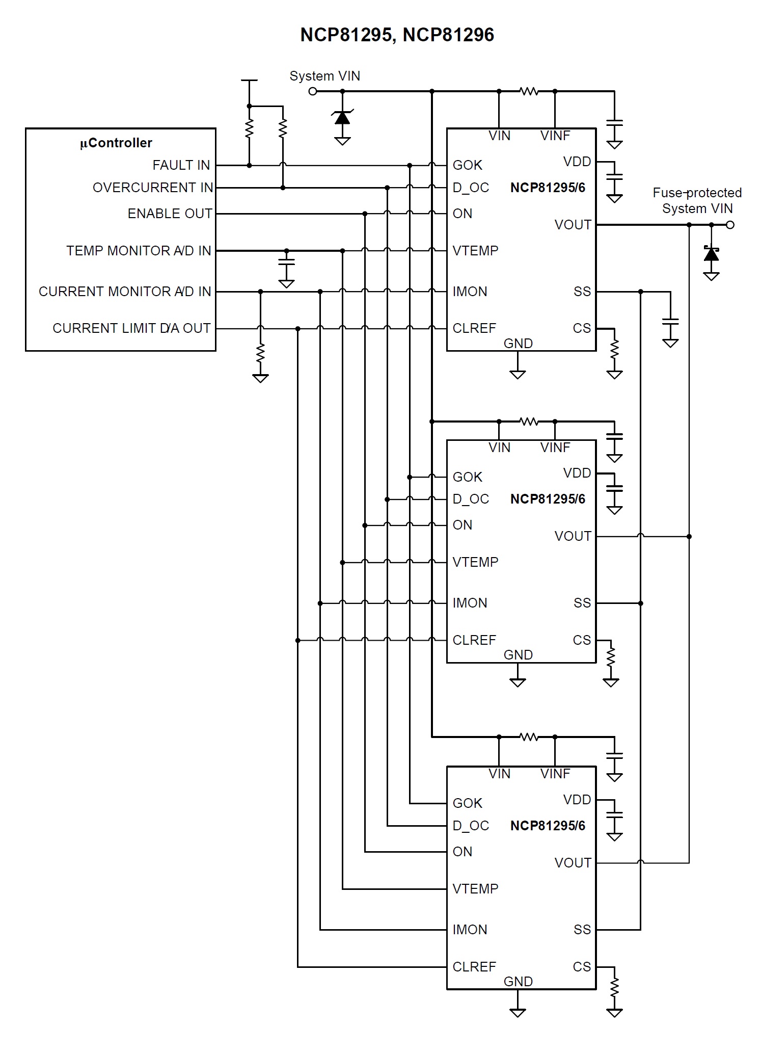
These electronically resettable hot swap smart fuses can be utilized in one of three configurations: as a single fuse in standalone operation (where no microcontroller is used); as a single fuse with a microcontroller; and in a multiple fuse parallel-connected fashion with a microcontroller (see the figures below).

Schematic connections of the NCP81295/6 with and without the use of a microcontroller. Diagrams taken from the datasheet (PDF).
Schematic of the NCP81295/6 connected in a multi-fuse parallel configuration. Diagram taken from the datasheet (PDF).
Now, considering that
-
the above image references the NCP81295 and the NCP81296—in four instances mind you;
-
and that the first page of the datasheet says "Can be Paralleled for Higher Current Applications," without stating that this feature supposedly applies only to the NCP81295;
-
and that the SS Output (Soft-Start) section (page 17) never mentions that only one of the two versions of the IC is capable of being connected in a parallel fashion...
it seems very likely that the section entitled Multiple Fuse Power Up (page 19) is simply wrong. Perhaps, hopefully, during the next revision of this datasheet, ON Semi will correct this error (or help the reader to understand why it is not an error).
Thermal Considerations
Given the high-current nature of this device, it’s a good idea to take a close look at power-dissipation issues. As the figure below reminds us, power dissipation increases with the square of current. So even though this fuse has low resistance, it must still dissipate significant power at higher currents, and this means that the NCP81295/6 could see significant temperature increases if you don’t provide adequate pathways for moving heat away from the device.

This is a high-current device, so keep your eye on thermal issues. Plot taken from the datasheet (PDF).
Have you had a chance to use ON Semi's NCP81295/6 in any of your designs? If so, leave a comment and tell us about your experiences.


