Could this be the chip that brings contactless payment in wearables to the forefront? This News Brief takes a look at the ST53G SiP (system-in-package) from STMicroelectronics.
Contactless payment programs have been out for a long time, but wearables have been slow to add them to their functionality. According to a study done by Business Insider, the market is ripe for the addition of payment processing to wearable and IoT devices.
Companies like Visa and Mastercard have been creating an infrastructure to support standardized payments and make a universal payment platform. These standardized payment platforms, run by credit card companies, allows them to profit on the system regardless of who manufactures a device. With the software for transactions handled by payment processors, implementation is becoming easier than ever for designers.
The same study had some information about the preferred form factors—or, more accurately, preferred devices to add payment processing functionality to. While most consumers are open to contactless payment in wearable devices, there is virtually no interest in wearable devices with the sole purpose of payment processing. This makes sense from the consumer's perspective since there's no point in buying a ring or watch that's only used to buy things. After all, we already have debit cards...

ST's marketing material for the ST53G. A smartwatch symbolically gaining the functionality of a debit card.
Instead, the suggested hot market for the near future is adding payment capability to devices that already have a purpose, such as fitness trackers and smartwatches. However, in wearable devices, whose designs must be strict on size and power consumption, this isn't as easy as it sounds.
Enter the ST53G
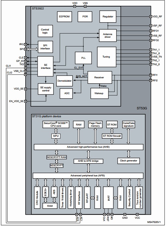
ST's attempt at solving the problem of these design constraints comes in the form of the ST53G, which combines a microcontroller (ST31G480) and an RF booster (STS3922). The ST53G comes in a 4x4 millimeter package and has a standby state to reduce power consumption when it's not in use. ST also provides radio tuning tools, SDK platforms to help implement card services on devices, reference designs, expansion boards, and pre-certification services to help engineers get their designs to market faster. The ST53G is set to ship out in Q1 of 2018.
ST hopes that the module will be user-friendly enough to give designers easy access to contactless payment, which will promote the adoption of the technology and, of course, give ST a foothold in that market.
“By making secure transactions possible on wearables ranging from one-time devices to fashion items, our new chip module broadens consumer access to convenient, frictionless banking and ticketing,” - Laurent Degauque, Secure Microcontroller Division Marketing Director

Block diagram of the ST35G from the datasheet (PDF)
Learn More about the ST53G
Since the ST53G is a combination of existing components, there is too much information to put in a single article. Instead, I've gathered all of the relevant documentation I could find below. Let me know in the comments if I left something out!
- ST53G Data Brief (PDF)
- STS3921 and STS3922 Data Brief (PDF) (This is the NFC booster.)
- ST31G480 Data Brief (PDF) (This is the microcontroller.)
- ST's Payment and Identification Secure solutions brochure (PDF)
- Secure Solutions brochure (PDF)
