In this article, we take a look at the difference between slow decay mode and fast decay mode, why these names are used, and how they influence motor deceleration.
My Own Introduction to Modes of Decay
Earlier this year I designed a PCB that required the use of a brushless DC motor with the end application mandating that the motor operates in both directions (clockwise and counterclockwise). Now, I could've used FETs, diodes, and I/O ports on my chosen microcontroller to manually control the direction of the DC motor—and I was very tempted to take that approach—but that was before I came across TI's DRV8801PWPR motor driver. The DRV8801 is an H-bridge motor driver that offers various features including slow decay current mode and fast decay current mode, as well as having a low-power sleep mode which was a requirement for my battery-operated project.
Although the DRV8801 includes the FETs that make up the H-bridge—this is also the case with the MAX14870 from Maxim, which was used as a motor controller in our C-BISCUIT design—there also exist other motor drivers that allow designers to use external FETs. One example of these gate-driver ICs is the DGD0506 from Diodes Incorporated.
Before going any further into the modes of decay, let's have a quick analysis of the H-bridge.
H-Bridge—A Brief Review
An H-bridge is a rather simple circuit. It contains four independently controlled FETs (or BJTs, but FETs are more common nowadays) that serve as the switching elements used for channeling current flow through the load—typically an inductive load, such as a motor. Figure 1 below shows the "H" in the H-bridge.

Figure 1. Circuit diagram of an H-bridge; the two current paths together resemble the letter "H".
External diodes—referred to as free-wheeling or flyback diodes—are not always included in an H-bridge circuit because the FETs' body diodes can be used in their place.
A word of caution when using an H-bridge: never ever turn on two FETs on the same side, i.e., Q1 and Q2, or Q3 and Q4. Doing so creates a very-low-impedance path from the positive rail to ground, and the resulting high current—commonly referred to as "shoot through"—could damage the FETs.
Fast Decay Mode
My aforementioned DC motor project required the motor, when disabled, would stop quickly at a particular position. So, given this requirement I was certain, at first, that employing the fast decay mode was what I needed. It is reasonable to assume that “fast decay” corresponds to fast deceleration. I was wrong. After reading up on the matter, I realized that the terms slow decay and fast decay are associated with the current flow through the inductor and are not directly related to the behavior of the DC motor.
To summarize this point: Do not think that fast decay will stop the motor quickly because, in reality, it's the opposite.
The name “fast decay mode” refers to the fact that this mode allows a motor's coil current to very quickly decay to zero. Figure 2 below depicts current flow that originates from Vbat then travels through Q1, the motor winding, and Q4 on its way to the ground node. Under this condition, the motor is energized and turning normally.

Figure 2. The motor is energized and turning normally.
As you know, the current through an inductor (like the voltage across a capacitor) cannot change instantaneously. If we disable Q1 and Q4, current will continue to flow through flyback diodes or FET body diodes; this current will gradually decay to zero. Fast decay mode is a technique that uses FETs instead of diodes to provide a path for this decaying inductive current. Figure 3 below shows Q2 and Q3 enabled while Q1 and Q4 are both disabled.

Figure 3. Q2 and Q3 enabled (fast decay mode).
By driving Q2 and Q3 into conduction, we are again applying the source voltage to the inductor, but with the opposite polarity, i.e., a polarity that encourages the inductive current to decay more quickly.
Don't forget that shoot through is a big no-no. Therefore, we must disable one FET before enabling the other one—we must "break-before-make." Fortunately, when using the DRV8801 and other motor driver chips, we don't have to worry about this break-before-make dance because it is handled automatically by the IC.
Finally, depending on your application, the use of fast decay mode may not be required. Instead, you may choose to simply use the flyback diodes or body diodes as mentioned above. However, the timing regarding when the diodes start conducting is not known, and this may or may not be important in your application. According to TI's Community Support page, "Generally, fast decay usually is needed for high inductance motor[s], high running speed, [or] high degrees [of] micro stepping which all need the current [to] change quickly." Also, fast decay mode can reduce power dissipation if the on-state resistance of the FETs results in a voltage drop that is lower than the forward voltage of the diodes.

Figure 4. As an alternative to fast decay mode, you can use body diodes or external flyback diodes to provide a path for the decaying inductive current. Image courtesy of TI's SLVA321 App Note (Figure 3).
Slow Decay Mode
Let's revisit Figure 2 where the motor is running normally. Now, instead of switching Q2 and Q3 on and turning off Q1 and Q4, as was done for fast decay mode (Figure 3), we will now disable Q1 and enable Q2 (see Figure 5 below).
***Note: Either both low-side FETs or both high-side FETs can be used for slow decay mode.

Figure 5. Q2 and Q4 enabled (slow decay mode).
The inductor's current decreases to zero as it is channeled through Q2 and Q4 in a recirculating-type fashion. In this case, there is no applied voltage forcing the current to rapidly discharge; rather, current is dissipated as heat as it flows through the resistance of the inductor and the on-state resistance of the two FETs.
Despite the slower current decay, this mode provides a faster reduction in motor speed. When a DC motor is rotating, it generates back EMF. We can think of this as a manifestation of the motor’s inertia or stored energy. In fast decay mode, despite the rapid current decay, the motor will coast toward zero angular velocity as the stored energy is gradually dissipated.
When we enable Q2 and Q4 we are creating a low-impedance path between the two motor terminals. This essentially shorts out the back EMF and thus allows the motor’s stored energy to be dissipated much more quickly. The result is rapid deceleration, to the point that the term "brake" is associated with slow decay mode.
So remember, the names “slow” and “fast” are directly associated with the rate of decay of the current through the inductive load (such as a motor winding), not with the reduction in the angular velocity of the motor.
In Summary
Fast decay mode causes a rapid reduction in inductive current and allows the motor to coast toward zero velocity. Slow decay mode leads to a slower reduction in inductive current but produces rapid deceleration.
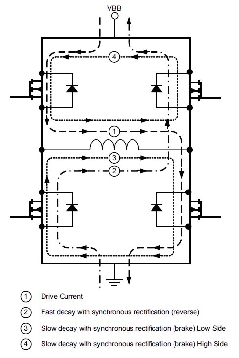
Figure 6 below summarizes the current pathways of these two decay modes.

