Learn about the audible circuit probe tool and how to use it to troubleshoot everything from home wiring to electronic circuits.
The Circuit Probe
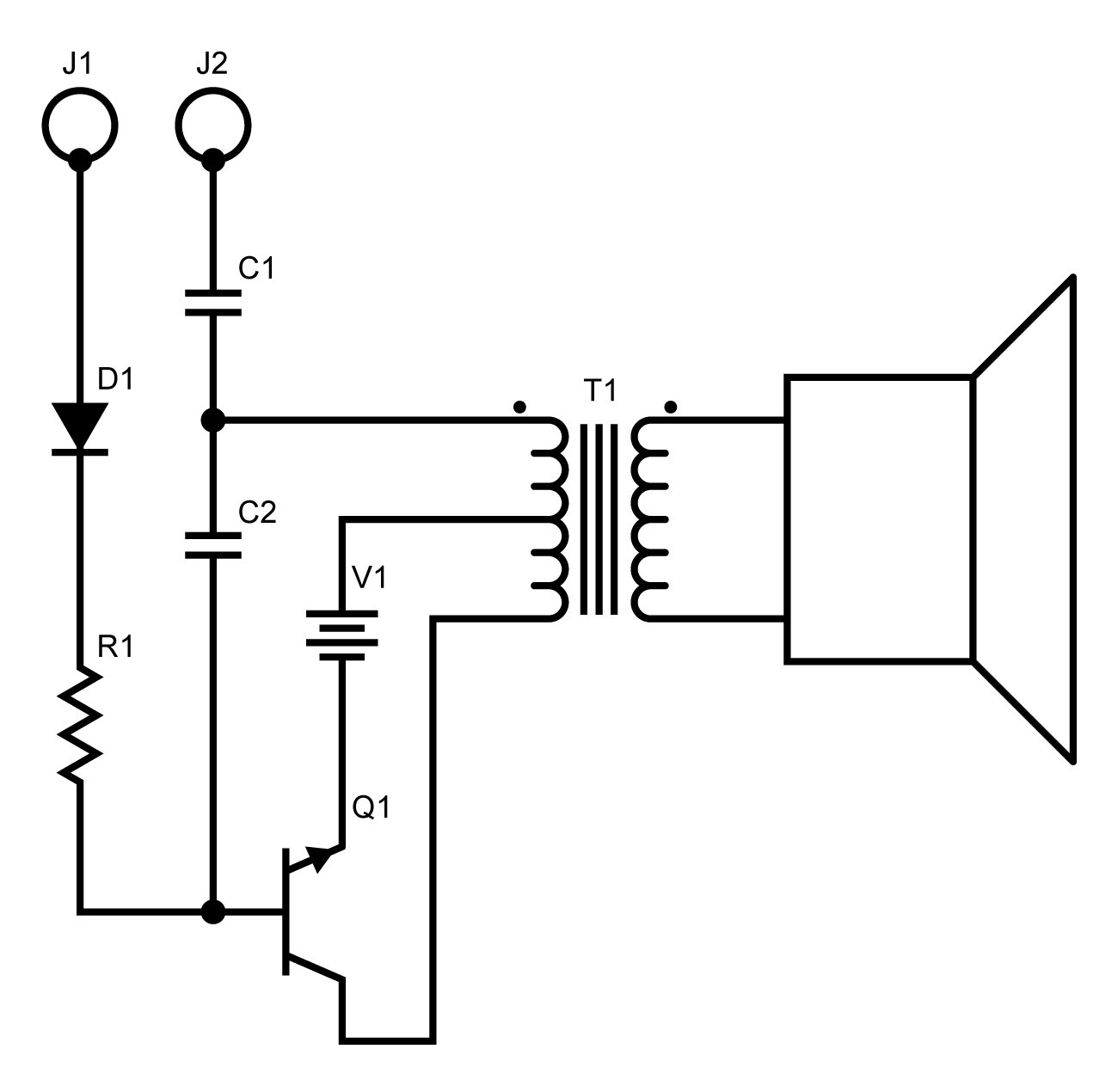
The Audible Circuit Probe is a handheld audio-oscillator with a sharp probe and an alligator clip for connections to test circuits. Its output tone varies with the component connected between the alligator clip and the probe. It is capable of testing resistors, AC and DC voltage, capacitors, diodes, and transistors.
Inside the tool, the alligator-clip connects to a film capacitor with a 250 V rating (J2), and the probe tip connects to the anode side of a diode (J1).

This is a single-swing blocking oscillator circuit, used to create narrow timing pulses.
Continuity Testing
In the short circuit condition, the probe outputs an approximately 800-Hz tone through a series of rapid pulses.

Tone produced by speaker during short circuit

Closeup view of speaker output
You can use this audible tone to determine continuity in the same way you might with your multimeter—the audible circuit probe's tone varies with resistance, whereas your multimeter likely only produces a constant tone. This variable tone allows you to find short-circuits as well as partially conducting paths that your multimeter might miss.
Testing Household Alternating Current
Range: 0-130 Volts Maximum
The tool can be used to check for the presence of AC as well as diagnose certain common problems. When used to probe electrical mains, it produces a very unique sound.
Note: Please do not use this tool to probe energized circuits unless you have been trained to work with household circuits. If you do use it to probe live circuits, wrap the probe shaft in electrical tape or use heat shrink tubing to reduce the exposed metal end down to approximately 1mm. Additionally, if you do probe live circuits, do not change the wiring of a live circuit—always turn off the circuit at the breaker before making any adjustments to wiring.

Note the changing period in the zoomed out trace above
The audible circuit probe has a variety of uses troubleshooting household wiring. I often find it more convenient than a multimeter since most switches and receptacles are several feet off the ground and there is nowhere to place a meter. With this tool, you can keep your eyes on the live circuit at all times and not switch back and forth between looking at a wire and your multimeter.
Household receptacles in the United States have three holes labeled "Hot", "Common/Neutral", and "Ground." The smaller rectangular hole is the one that is supposed to be maintained at 120 V above ground potential.

Many do-it-yourselfers and handymen hook up outlets incorrectly by accidentally swapping the neutral and the hot wires. Unfortunately, appliances will often still work even in this incorrect state, although often more hazardously. Also, it is possible to accidentally break or knock loose wires when closing up a crowded junction-box. These mistakes lead to a variety of issues, from vacuums that shock you when you touch them (caused by reversed hot and neutral) to flickering lights (caused by a loose neutral) to fires.
I suggest using a 3-wire receptacle tester to check all of the outlets in your home if you haven't done so already. But this only works if you are able to stand directly in front of an outlet. If you are working on a switch in another room, you can use probe leads or alligator clips to attach the audible circuit probe to screws on the receptacle or switch inside the junction box. The audible circuit probe works whether the AC lines are energized or not, so if you accidentally leave it hooked up when you reenergize a circuit, you will not damage it.
I have used the audible circuit probe to diagnose broken switches on live circuits. When attached on either side of a switch, the tone should change between the continuity tone and the AC tone (or no tone) when the switch is flipped.
In my case, overhead lights that worked before would not turn on when I flipped the switch and the circuit breaker had not been tripped. I removed the outlet cover and connected the probe to the screw terminals. There was no change in tone when the switch was flipped, indicating the switch was faulty.
Continuity Tone
120 V AC Tone
DC Voltage Testing
Range: 0-130 Volts Maximum
The circuit probe will change frequency when it is connected to batteries and power supplies. The frequency will increase as the potential difference increases to the maximum 130V volts and the frequency will decrease as the potential difference decreases to around -8 V.
The audible signal is not enough for you to deduce a specific voltage, but it does allow you to probe battery compartments to look for loose connections.
Capacitor Testing
Range: 100 µF - 3000 mF
To quantitatively test a capacitor, consider using a quality multimeter instead of this tool.
This tool is my favorite way to demonstrate to students what is happening inside a capacitor. I compare the movement of charge onto the plates of a capacitor to the movement of air inside an "Air capacitor." This is, of course, not a complete description of what is happening, but for someone who is beginning the journey, a complete description would be quite overwhelming.

The following tones were produced when a electrolytic capacitor was connected directly to the audible circuit probe.
Diode Testing
Diode testing isn't as exciting as capacitor testing. When the circuit probe's tip touches the cathode and the alligator clip touches the anode, you'll hear a tone almost identical to the short-circuit tone.
When you reverse the probe's connections, no tone is produced—although documentation indicates one to three clicks per second might be heard. The silence is due to the fact that you are connecting your diode's anode to the audible circuit probe's anode. Under typical circumstances, current can travel only in one direction in a diode, so the charges that might travel through the test diode are blocked by the audible circuit probe's diode.
Resistance Testing
Range:
In turn, resistor testing is not as exciting as diode testing. As resistance increases, the frequency decreases down to a few clicks per second.
Circuit Fault-Testing
The tool can be used in certain circumstances to identify bad components in a problem electrical circuit by comparing it to a similar functional circuit.
First, remove power from the circuit. Attach the probe's alligator clip to the ground point in your circuit and touch a component or copper trace. Systematically move the alligator clip and probe between the functional circuit and the corresponding locations in the bad circuit. Since this probe is sensitive to resistance, capacitance, and potential difference, there is a good chance you will be able to locate the bad component.
I have used this tool for years to help new electronics students identify circuit faults in simple projects similar to this sound-to-light kit from Velleman.
Through experience, I know that when they bring their circuit to me that they have swapped the PNP transistor (BC557B) with an NPN transistor (BC547B) because they are visually indistinguishable to a beginner. But in-circuit transistor testing cannot be done with a multimeter. Through touching various probe points on their circuit board compared to a working board, they are often able to self-identify the error.
Conclusion
This tool is a unique addition to your test equipment arsenal. And some of you might recognize the blocking oscillator circuit from the electronic project labs of your youth. The blocking oscillator is a staple of the 200 in 1 Electronic Project Kits that introduced so many of us to electronics.

