A thorough understanding of bypass capacitors will help you to properly incorporate these critical components into your designs.
Articles That Provide Supporting Information
Capacitors, Capacitors Everywhere
It is not inconceivable that a dedicated, successful engineering student would graduate from college knowing almost nothing about one of the most pervasive and important components found in real circuits: the bypass capacitor. Even experienced engineers may not fully understand why they include 0.1 µF ceramic capacitors next to every power pin of every IC in every circuit board they design. This article provides information that will help you to understand why bypass capacitors are necessary and how they improve circuit performance, and a follow-up article will focus on details related to choosing bypass capacitors and the PCB layout techniques that maximize their efficacy.
The Perils of Transient Current
Any component in which outputs transition rapidly from one state to another will generate transient currents. When these transient currents are drawn directly from the power supply, transient voltages are created as a result of the power supply’s source impedance as well as parasitic inductance associated with wires and PCB traces. This effect is increasingly problematic when a component must drive a low-resistance or high-capacitance load: low-resistance loads create higher-magnitude transients, and high-capacitance loads can lead to ringing or even severe oscillations in the power line. The end result can be anything from suboptimal circuit performance to system failure.
Let’s briefly explore this issue of transient current using a very simple simulation.


The circuit is the famous CMOS inverter, as confirmed by the relationship between the input and output voltage. Though the eminently clever design of this inverter requires no steady-state current, we need to remember that significant transient current flows as the input voltage passes through the region in which both transistors are conducting. This current creates a disturbance on the inverter’s voltage supply corresponding to the voltage drop across the source resistance (this simulation uses 2 Ω, which is about how much internal resistance you would expect from a 9 V battery):

It is true that the magnitude of this disturbance is very small, but remember that an integrated circuit could contain hundreds or thousands or millions of inverters. Without proper bypassing, the cumulative effect of all these transient currents would be a seriously noisy—if not catastrophically unstable—voltage supply. Experiments performed by engineers at Texas Instruments demonstrated that an improperly bypassed line driver IC switching at 33 MHz resulted in ringing amplitude as high as 2 V peak-to-peak—on a 5 V power rail!
The following plot shows the supply voltage when the simulation circuit is expanded to include a mere 8 inverters along with 1 nH of parasitic inductance in series with the source resistance:

The magnitude of the transients has increased to almost 0.5 mV, and both disturbances exhibit some oscillatory behavior:

Digital circuits certainly have a special aptitude for degrading power quality, but analog ICs also need bypassing to compensate for rapid output transitions and to protect them from power supply noise generated by other devices. For example, an op-amp’s power supply rejection ratio decreases as the power supply noise increases in frequency; this means that an improperly bypassed op-amp could create high-frequency power-line disturbances that would propagate to the op-amp’s own output signal.
The Solution
It is convenient that such a serious problem can be effectively resolved with a simple, widely available component. But why the capacitor? A straightforward explanation is the following: A capacitor stores charge that can be supplied to the IC with very low series resistance and very low series inductance. Thus, transient currents can be supplied from the bypass capacitor (through minimal resistance and inductance) instead of from the power line (through comparatively large resistance and inductance). To better understand this, we need to review some basic concepts related to how a capacitor affects a circuit.
First, though, a brief note about terminology: The components discussed in this article are regularly referred to as both “bypass capacitors” and “decoupling capacitors.” There is a subtle distinction here—“decoupling” refers to reducing the degree to which one part of a circuit influences another, and “bypass” refers to providing a low-impedance path that allows noise to “pass by” an IC on its way to the ground node. Both terms can be correctly used because a bypass/decoupling capacitor accomplishes both tasks. In this article, however, “bypass capacitor” is favored in order to avoid confusion with a series decoupling capacitor used to block the DC component of a signal.
Charging and Discharging
The fundamental action of a capacitor is storing charge and releasing charge in such a way that it opposes changes in voltage: If the voltage suddenly decreases, the capacitor supplies current from its charged plates in an attempt to maintain the previous voltage. If the voltage suddenly increases, the capacitor’s plates store charge from the current generated by the increased voltage. The following simple simulation can help you to visualize this:


Note that the current is positive (i.e., flowing from the source through R1 to C1) when the capacitor is charging and negative (i.e., flowing from C1 through R1 to the source) when the capacitor is discharging.
This fundamental charging and discharging behavior does not change depending on whether the capacitor is exposed to low-frequency or high-frequency signals. However, in a discussion of power supply bypassing, it is helpful to analyze a capacitor’s influence in two different ways—one for low-frequency situations and one for high-frequency situations. In a low-frequency or DC context, a bypass capacitor opposes changes in the voltage line by charging or discharging. The capacitor functions like a low-impedance battery that can supply small amounts of transient current. In a high-frequency context, the capacitor is a low-impedance path to ground that protects the IC from high-frequency noise on the power line.
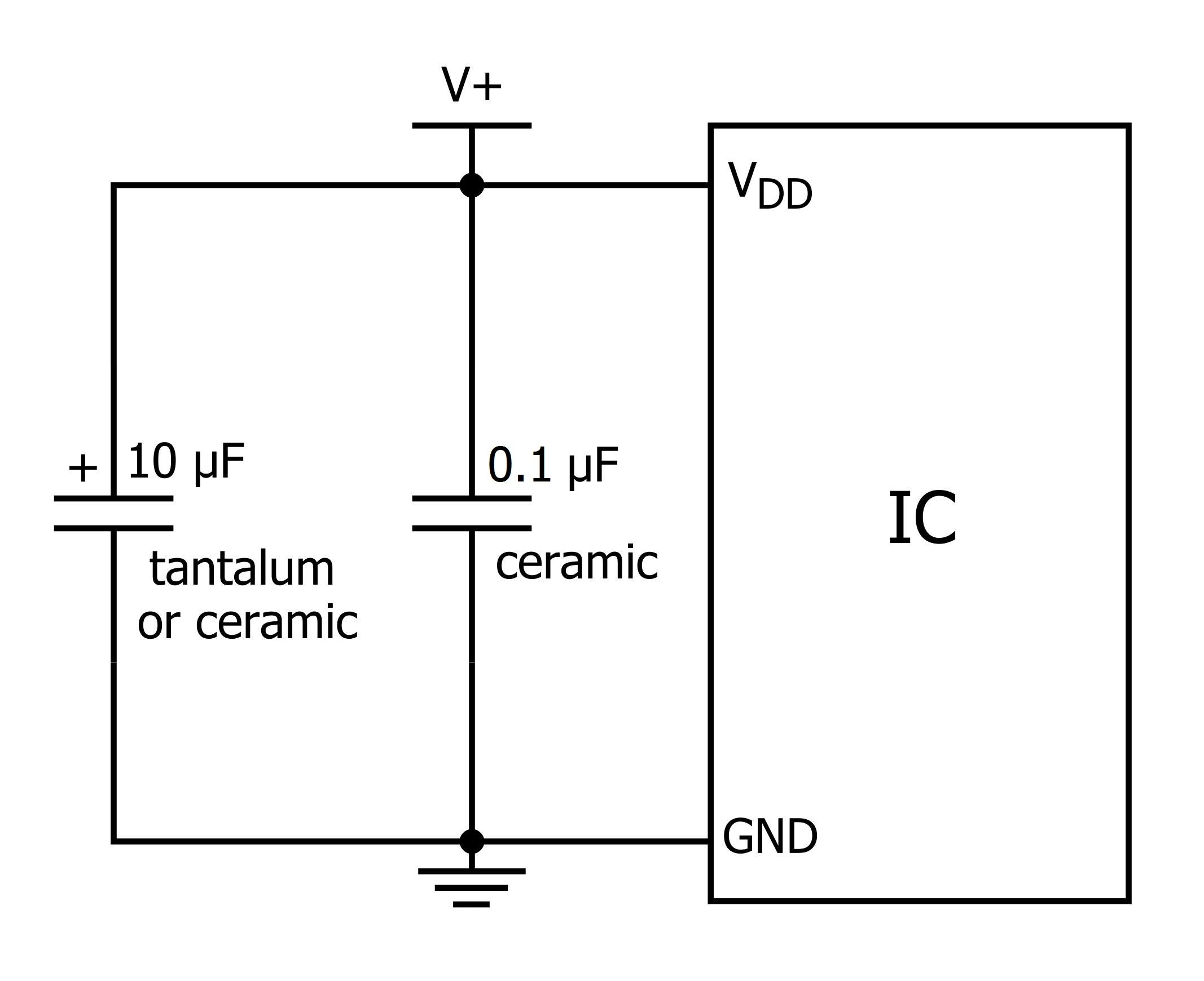
A Standard Approach
The foregoing analysis helps us to understand a classic bypassing scheme: a 10 µF capacitor within an inch or two of the IC, and a 0.1 µF ceramic capacitor as close to the power pin as possible:

The larger capacitor smooths out lower-frequency variations in the supply voltage, and the smaller capacitor more effectively filters out high-frequency noise on the power line.
If we incorporate these bypass capacitors into the 8-inverter simulation discussed above, the ringing is eliminated and the magnitude of the voltage disturbance is reduced from 1 mV to 20 µV:

Ideal vs. Reality
At this point you may be wondering why we need a 0.1 µF capacitor in addition to a 10 µF capacitor. What is the difference between 10 µF and 10.1 µF? This is where the bypass-cap discussion becomes more complicated. The efficacy of a particular bypassing scheme is closely related to two of the chosen capacitor’s nonideal characteristics: equivalent series resistance (ESR) and equivalent series inductance (ESL). In the simulation just mentioned, the parallel 10 µF and 0.1 µF ideal capacitors become nothing more than a 10.1 µF ideal capacitor. To make the simulation anything approaching realistic, we need to include reasonable values of ESR and ESL. With this modification, we have the following:

Though still an improvement compared to the case with no bypass capacitors, these results are significantly worse than what we saw with the ideal caps.
This simple simulation cannot possibly account for all the parasitic impedances and other subtle influences present with real integrated circuits on a real PCB (especially one that includes high-speed digital signals). The point here is to demonstrate that designing a bypass network involves careful consideration of a capacitor’s ESR and ESL. Equally important are proper component placement and PCB layout techniques. We will explore all these details in the next article.
Next Article in Series: Clean Power for Every IC, Part 2: Choosing and Using Your Bypass Capacitors
