There’s no doubt that mmWave beamforming technologies are essential for 5G implementations thanks to their ability to address propagation losses, high-frequency transmissions, and high-precision signaling.
Serving those needs, a trio of mmWave technology companies released innovation solutions over the summer. These products promise high efficiency and reliability in 5G applications.
In this article, we round up these mmWave beamforming innovations, highlighting their viability in 5G implementations.
Analog Beamforming ICs Based on SiGe Process
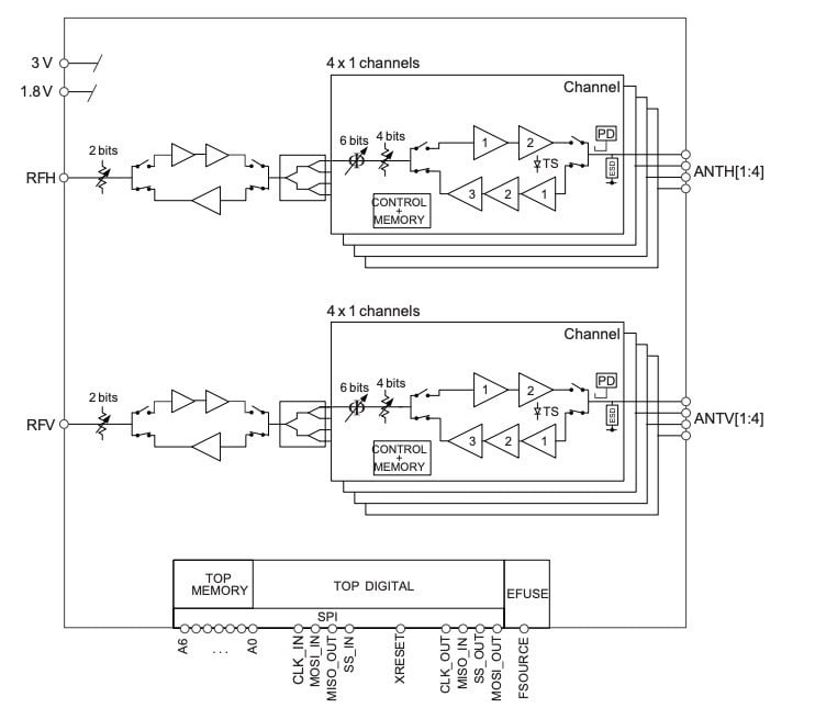
For its part, NXP Semiconductors in June announced adding its latest analog beamforming solutions, MMW9012K and MMW9014K, to its 5G portfolio. The company leveraged its silicon germanium (SiGe) process to incorporate dual-polarization support into the solutions, allowing them to achieve high 5G reliability and maximized integration levels.

For its MMW9012K beamforming IC, NXP leveraged its SiGe process to incorporate dual-polarization support. Image used courtesy of NXP
These improvements in the 5G tech-based solutions offer significant reductions in costs, the size of 5G base stations, and current consumption for 5G mmWave solutions. The growing need for high precision 5G connectivity, especially in dense urban areas, makes MMW9012K and MMW9014K essential for present-day 5G applications, says.
Although these areas require high frequency and bandwidth-based 5G mmWave solutions, the high frequencies result in shorter mmWave signal distance, leading to significant propagation loss in their deployments. These solutions allow designers to achieve more precise steering of 5G mmWave beams to customers and higher overall system reliability.
Programmable Through LVDS or SPI
Designers can program the MMW9012K and MMW9014K 4-channel dual-polarized analog beamforming ICs using either a low-voltage differential signaling (LVDS) link or a high-speed serial peripheral interface (SPI) bus.
The solutions offer an 8-bit phase and gain resolution, with each channel comprising a transmit (TX) and receive (RX) chain. Both chains offer phase shifters, buffers, and variable gain amplifiers (VGAs). However, NXP embedded on-chip power detectors to monitor the power levels of the antenna ports during transmission.
According to NXP, the small FO-WLPBGA package size of the solutions makes them viable for miniaturization-intensive applications. Designers can incorporate MMW9012K and MMW9014K into phased array antenna (AESA), wireless infrastructure, dual-polarized antennas, and 5G NR, RAN, and CPE applications. NXP does not appear to offer datasheets for either device at this time this article was posted.
Small Footprint-per-channel Beamformer Solution
Seeing the growing demand for next-gen technologies required to support the global mainstream use of the n257, n258, and n260 bands, Psemi released its suite of mmWave products. The suite comprises the PE188200, an 8-channel beamforming front end, and the PE128300, a dual-channel up-down converter, both essential for 5G applications.
According to the company, these mmWave ICs are viable for several applications, including 5G base station-based antenna systems, point-to-point radio communication, and 5G customer premises equipment. Psemi says it offers support packages and technical expertise to assist designers in 5G product developments.

Functional block diagram of the PE188200, an 8-channel beamforming front end. Image used courtesy of Psemi
While both ICs are said to offer key design benefits, such as a small footprint per channel and extensive IF-to-RF coverages, PE188200 offers antenna design flexibility and high-accuracy mmWave beamforming, and PE128300 offers low power consumption and system impairment minimization capabilities. More information is available in the product briefs for the PE188200 and the PE128300.
Because they are monolithic integrations, these ICs can enable designers to build large arrays free from additional routing, says Psemi. Moreover, the designers can achieve hybrid beamforming and several other antenna configurations by integrating the up-down converters with up to four beamforming front ends.
Features of the 8-channel beamforming front end include:
- Frequency range of 26.5 GHz to 29.5 GHz that covers the n257 band
- Fast beam switching
- Four dual-polarity antennas
- 50 Ω impedance at RF ports
- 512 beam-intensive on-chip memory
- SPI-based programming
- Power amplifier and low-noise amplifier integrations
Meanwhile, Psemi’s PE128300 dual-channel up-down converter offers a 24.25 GHz to 29.5 GHz frequency range, which supports the n258 and n257 bands. Moreover, the IC enables ultra-fast TDD switching in less than 800 ns, compatibility with PE188100 and PE188200 beamforming ICs, and a single-byte SPI command-based control.
Prototyping Solution for mmWave SDR
Tmytek meanwhile is focusing on enabling mmWave software defined radio (SDR) capabilities for 5G applications. The company released a solution developed to help improve gain and phase in multiple RF channels and expand the SDR spectrum to 5G FR2 mmWave bands at exceptional Error Vector Magnitude (EVM) performances.
The platform, called NI USRP SDR, comprises the UD Box 5G and BBox 5G series box-level systems. Together, they provide designers with 5G NR mmWave transmission, analysis, and beam steering capabilities. The Tmytek UD Box and BBox can convert sub-6 GHz signals to 28 GHz for 5G NR FR2 waveform transmission and analysis within mmWave bands at EVM quality of up to 400 MHz bandwidth/256 QAM.

Left image shows Bbox 5G beamformers (bottom) and UD Box 5G up/down converter (center) and base station emulator (top). Right image shows a close up of a BBox 5G unit with an array antenna. Image used courtesy of Tmytek
Tmytek says that the capabilities of these solutions allow for real-time monitoring and ultra-fast prototyping. They provide an off-the-shelf beam management platform that designers can incorporate into their mmWave applications. The designers can also integrate an interface GUI-TMXLAB (TLK) from Tmytek with the UD Box and BBox solutions to alter beam angles to maximize signal qualities.
The UD Box maximizes sub-6 GHz instruments, provides a stand-alone solution for extensive 5G mmWave spectrums, and simplifies up-down conversion. Similarly, the BBox solution offers high-efficiency mmWave analog beamforming, software-hardware integration for GUI and API control, and beamforming control for a wide range of applications.
These include mmWave radar, fast mmWave scanning channel sounding system, and 5G New Radio Millimeter-wave (NR mmWave) beamforming Over-the-Air (OTA) communication.
